|
|
|
|||||||||||
|
|||||||||||||
|
|
|
|||||||||||
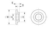
Varenr. |
Farve |
A |
B |
C |
D |
E |
F |
Pakningsstr. |
Materiale |
||||
312 0832 599 35 |
RAL9005 |
2.1 |
8 |
4.5 |
4.5 |
5.5 |
|
250/500/1000 |
PA-6 + 25% glasfibre |
||||
312 0839 599 35 |
RAL9005 |
2.6 |
8 |
4.5 |
1.6 |
4.2 |
|
250/500/1000 |
PA-6 + 25% glasfibre |
||||
312 0802 599 35 |
RAL9005 |
2.6 |
8 |
4.8 |
1.1 |
2.1 |
|
250/500/1000 |
PA-6 + 25% glasfibre |
||||
312 0833 599 35 |
RAL9005 |
2.7 |
5 |
3.2 |
1.4 |
2.4 |
|
250/500/1000 |
PA-6 + 25% glasfibre |
||||
312 0812 599 35 |
RAL9005 |
3.0 |
5.5 |
3.5 |
2.5 |
3.5 |
|
250/500/1000 |
PA-6 + 25% glasfibre |
||||
312 0849 599 35 |
RAL9005 |
3.0 |
5.9 |
3.5 |
0.6 |
1.8 |
|
250/500/1000 |
PA-6 + 25% glasfibre |
||||
312 0843 599 35 |
RAL9005 |
3.1 |
10 |
3.4 |
8 |
9 |
|
250/500/1000 |
PA-6 + 25% glasfibre |
||||
312 0836 599 35 |
RAL9005 |
3.1 |
6 |
3.5 |
1.3 |
2.3 |
|
250/500/1000 |
PA-6 + 25% glasfibre |
||||
312 0819 599 35 |
RAL9005 |
3.1 |
7.5 |
3.5 |
1.3 |
2.3 |
|
250/500/1000 |
PA-6 + 25% glasfibre |
||||
312 0801 599 35 |
RAL9005 |
3.1 |
7.5 |
3.5 |
2.5 |
3.5 |
|
250/500/1000 |
PA-6 + 25% glasfibre |
||||
312 0810 599 35 |
RAL9005 |
3.1 |
7.5 |
3.5 |
2.5 |
6.5 |
|
250/500/1000 |
PA-6 + 25% glasfibre |
||||
312 0838 599 35 |
RAL9005 |
3.1 |
7.5 |
3.9 |
3.5 |
4.5 |
|
250/500/1000 |
PA-6 + 25% glasfibre |
||||
312 0814 599 35 |
RAL9005 |
3.1 |
7.5 |
3.9 |
4.5 |
6 |
|
250/500/1000 |
PA-6 + 25% glasfibre |
||||
312 0846 599 35 |
RAL9005 |
3.1 |
10 |
4.2 |
8 |
10 |
|
250/500/1000 |
PA-6 + 25% glasfibre |
||||
312 0809 599 35 |
RAL9005 |
3.5 |
7 |
4.9 |
7.4 |
8.2 |
|
250/500/1000 |
PA-6 + 25% glasfibre |
||||
312 0806 599 35 |
RAL9005 |
3.5 |
7 |
5.1 |
2.2 |
3 |
|
250/500/1000 |
PA-6 + 25% glasfibre |
||||
312 0842 599 35 |
RAL9005 |
4.0 |
10 |
4.4 |
8 |
9 |
|
250/500/1000 |
PA-6 + 25% glasfibre |
||||
312 0850 599 35 |
RAL9005 |
4.0 |
9.3 |
6.3 |
1.3 |
2.5 |
|
250/500/1000 |
PA-6 + 25% glasfibre |
||||
312 0847 599 35 |
RAL9005 |
4.1 |
10 |
5.2 |
10 |
12 |
|
250/500/1000 |
PA-6 + 25% glasfibre |
||||
312 0831 599 35 |
RAL9005 |
4.5 |
8 |
6 |
3.2 |
4 |
|
250/500/1000 |
PA-6 + 25% glasfibre |
||||
312 0804 599 35 |
RAL9005 |
4.5 |
15.7 |
9.7 |
8 |
13 |
|
250/500/1000 |
PA-6 + 25% glasfibre |
||||
312 0821 599 35 |
RAL9005 |
5.1 |
12 |
6.4 |
15 |
16 |
|
250/500/1000 |
PA-6 + 25% glasfibre |
||||
312 0844 599 35 |
RAL9005 |
5.1 |
12 |
6.4 |
15 |
17 |
|
250/500/1000 |
PA-6 + 25% glasfibre |
||||
312 0828 599 35 |
RAL9005 |
5.2 |
12 |
5.5 |
2 |
3 |
|
250/500/1000 |
PA-6 + 25% glasfibre |
||||
312 0808 599 35 |
RAL9005 |
5.2 |
12 |
5.5 |
4 |
5 |
|
250/500/1000 |
PA-6 + 25% glasfibre |
||||
312 0826 599 35 |
RAL9005 |
5.2 |
12 |
6.2 |
10 |
11 |
|
250/500/1000 |
PA-6 + 25% glasfibre |
||||
312 0816 599 35 |
RAL9005 |
5.2 |
12 |
6.9 |
8 |
11 |
|
250/500/1000 |
PA-6 + 25% glasfibre |
||||
312 0820 599 35 |
RAL9005 |
6.1 |
12 |
7.8 |
15 |
16 |
|
250/500/1000 |
PA-6 + 25% glasfibre |
||||
312 0845 599 35 |
RAL9005 |
6.1 |
12 |
7.8 |
15 |
17 |
|
250/500/1000 |
PA-6 + 25% glasfibre |
||||
312 0817 599 35 |
RAL9005 |
6.2 |
12 |
6.5 |
2 |
3 |
|
250/500/1000 |
PA-6 + 25% glasfibre |
||||
312 0811 599 35 |
RAL9005 |
6.2 |
12 |
6.5 |
4 |
4.5 |
|
250/500/1000 |
PA-6 + 25% glasfibre |
||||
312 0807 599 35 |
RAL9005 |
6.2 |
12 |
6.5 |
4 |
5 |
|
250/500/1000 |
PA-6 + 25% glasfibre |
||||
312 0827 599 35 |
RAL9005 |
6.2 |
12 |
7.2 |
10 |
11 |
|
250/500/1000 |
PA-6 + 25% glasfibre |
||||
312 0825 599 35 |
RAL9005 |
6.2 |
12 |
7.9 |
1 |
2 |
|
250/500/1000 |
PA-6 + 25% glasfibre |
||||
312 0824 599 35 |
RAL9005 |
6.2 |
12 |
7.9 |
2 |
4 |
|
250/500/1000 |
PA-6 + 25% glasfibre |
||||
312 0815 599 35 |
RAL9005 |
6.2 |
12 |
7.9 |
8 |
11 |
|
250/500/1000 |
PA-6 + 25% glasfibre |
||||
312 0818 599 35 |
RAL9005 |
6.4 |
16 |
10 |
2.3 |
3.5 |
|
250/500/1000 |
PA-6 + 25% glasfibre |
||||
312 0834 599 35 |
RAL9005 |
6.5 |
13 |
9.6 |
1.3 |
1.9 |
|
100/500/1000 |
PA-6 + 25% glasfibre |
||||
312 0805 599 35 |
RAL9005 |
6.5 |
25 |
13 |
6 |
10.5 |
|
100/500/1000 |
PA-6 + 25% glasfibre |
||||
312 0813 599 35 |
RAL9005 |
6.5 |
25 |
13 |
8.5 |
13 |
|
100/500/1000 |
PA-6 + 25% glasfibre |
||||
312 0835 599 35 |
RAL9005 |
8.2 |
19 |
9.4 |
1.7 |
2.5 |
|
100/500/1000 |
PA-6 + 25% glasfibre |
||||
312 0823 599 35 |
RAL9005 |
8.2 |
14 |
9.9 |
16 |
18 |
|
100/500/1000 |
PA-6 + 25% glasfibre |
||||
312 0822 599 35 |
RAL9005 |
8.5 |
25 |
12.8 |
9 |
13.5 |
|
100/500/1000 |
PA-6 + 25% glasfibre |
||||
312 0803 599 35 |
RAL9005 |
8.5 |
25 |
13 |
6 |
10.5 |
|
100/500/1000 |
PA-6 + 25% glasfibre |
||||
312 0837 599 35 |
RAL9005 |
10.2 |
16 |
11 |
1 |
2 |
|
250/500/1000 |
PA-6 + 25% glasfibre |
||||
312 0829 599 35 |
RAL9005 |
10.2 |
28 |
12.5 |
2.5 |
3.7 |
|
250/500/1000 |
PA-6 + 25% glasfibre |
||||
312 0840 599 35 |
RAL9005 |
10.2 |
28 |
17.5 |
2.5 |
6.5 |
|
100/500/1000 |
PA-6 + 25% glasfibre |
||||
312 0841 599 35 |
RAL9005 |
10.5 |
21 |
14.5 |
32 |
35 |
|
100/500/1000 |
PA-6 + 25% glasfibre |
||||
312 0830 599 35 |
RAL9005 |
12.5 |
20 |
16 |
1 |
2 |
|
250/500/1000 |
PA-6 + 25% glasfibre |
||||
312 0848 599 35 |
RAL9005 |
12.5 |
21 |
14.5 |
32.5 |
35.5 |
|
100/500/1000 |
PA-6 + 25% glasfibre |
||||